赛皮克,英文名叫SEPIC,是一种能够实现升降压的非隔离DC/DC拓扑,尤其适合电池供电的应用场合。

相信每一位电源工程师对非隔离DC/DC拓扑BUCK/BOOST/BUCK-BOOST都了如指掌,因为这三类拓扑可以应付90%以上的应用场合。但是有时候世界就是这么残酷,总有一些应用,让你手足无措,这个时候,如果你还不懂赛皮克,那你就OUT啦。(真是槽糕的台词)1.gif



4.gif

赛皮克,英文名叫SEPIC,是一种能够实现升降压的非隔离DC/DC拓扑,尤其适合电池供电的应用场合。

2.bmp


如图1所示,车载铅酸蓄电池电压13.8V,9-16V均为其正常工作电压范围,在汽车启动的时候,电池电压甚至会瞬间跌落至4.5V,此时如果挂在车载电池上的用电设备仍需要保持正常工作,则不得不采用升降压DC/DC的方案。

3.bmp

图1:升降压的应用场合

单开关Buck-Boost是升降压拓扑,但是Buck-Boost输出反极性,产生的是负压输出,这种负压输出应用到LED驱动是很好的方案,却不能应用到给普通设备供电;四开关Buck-Boost也是升降压拓扑,也能做到正极性输出,但就像利物浦主教练克洛普说过“好的球员除了贵,没有任何缺点”,四开关Buck-Boost集成四颗MOS管,对于中小功率场合,成本就不太划算了。

于是SEPIC就有了存在的价值。

下面简单为各位认真的朋友简单科普SEPIC电路的一些故事。



5.gif
首先是“赛皮克”的工作原理


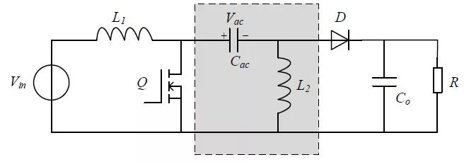
SEPIC电路的形式如图2所示,拓扑非常好记,Boost电路中间插入一个LC环节就构成了SEPIC电路。SEPIC电路通常取电感L1和L2相等。

我们都知道,电感在一个开关周期内不储存能量,所以一个开关周期内电感上的平均电压等于零,所以容易推出SEPIC电路中间的耦合电容Cac的电压Vac=Vin

6.bmp

图2:Sepic电路的拓扑形式

如图3所示,当MOS管导通的时段Ton内,输入电压给L1充电,耦合电容Cac放电给L2充电,输出电容Co续流给负载提供能量。由于Vac=Vin,所以电感L1和L2的电流变化率相同。

7.bmp

图3:MOS管导通时Sepic工作原理

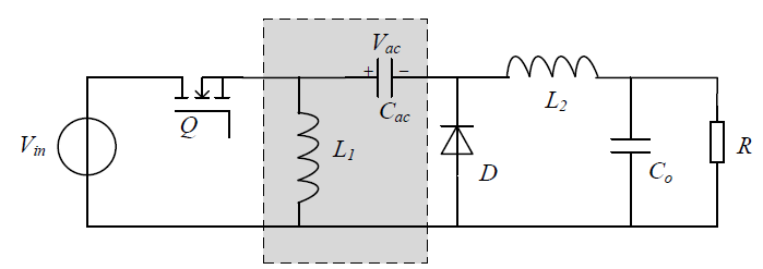
如图4所示,当MOS管关断的时段Toff内,电源通过L1、Cac、D给负载放电,同时L2也通过D给负载放电。不考虑D的管压降,L1两端的电压和L2两端电压都等于Vo,所以电感L1和L2的放电电流变化率也相等。

8.bmp

图4:MOS管关断时Sepic工作原理


640.gif
关于SEPIC的工作过程,这么理解就比较清晰了:MOS导通的时候,电源给L1充电,耦合电容给L2充电,Co给负载放电,MOS关断的时候,L1充好的能量释放给耦合电容,L2从耦合电容得到的能量再释放给Co,能量就这样一级一级的向后传递。
640.gif


之所以能够实现升降压的功能,我们根据电感的伏秒平衡法则就可以知道啦。

电感L1在Ton时段内电压为Vin,在Toff时段内电压为Vout,所以Vin*Ton=Vo*Toff

换算一下,我们就可以得到SEPIC电路的变比:

Vo/Vin = D/(1-D)


D>0.5的时候是升压,D<0.5的时候是降压。



介绍完赛皮克的基本工作原理,

我们来看看它的设计注意事项。




1


电感选型时保证低压侧流过最大负载电流时,电感电流的峰值不要超过饱和电流;

上面提到,电感L1和L2在MOS管开通和关断的过程中,其电流变化率是相同的,但是电感电流IL1IL2的平均值却不相同。我们知道耦合电容一个周期内同样也不储存能量,所以流过耦合电容的电流的平均值也等于零,于是可以得到电感L1的电流平均值等于输入电流的平均值,电感L2的电流平均值等于输出电流的平均值。由于SEPIC电路中的两个电感通常选择参数完全一致的电感,所以我们在电感选型设计时,需要保证低电压侧流过最大电流时,其电感电流不超过电感标称的饱和电流参数。


2


保证MOS流过的电流不超过IC内部的Current Limit

根据图3,我们知道MOS管导通的时候,流过MOS的电流等于L1和L2的电流之和,当MOS关断的时候,流过Diode的电流也等于L1+L2的电流之和。所以MOS的通流能力需要大于输入+输出电流的平均值+半个峰峰值并留有一定的裕量。否则正常工作的时候,会导致流过MOS电流触碰到Current Limit点,从而触发过流保护。


3


保证MOS的耐压至少高于Vin+Vout

根据图4,我们知道MOS管导通的时候,SW点的电压等于0,MOS管关断的时候,SW点的电压等于Vin+Vout,所以MOS管的耐压需要至少高于Vin+Vout,这一点设计时需要多加注意。


11.gif


讲到这里,赛皮克就基本为大家讲完了,这个时候,认真的朋友可能会抛出兹尔塔ZETA的问题,于是热心的小编也顺带给大家提一句。


4.gif

兹尔塔和赛皮克是兄弟伙,赛皮克是基于Boost这类低边MOS衍生而来的升降压电路,兹尔塔则是基于Buck这类高边MOS衍生而来的升降压电路,电路形式如下图5所示。和赛皮克相比,几乎所有的分析都是互易的,认真的朋友可以自行分析。由于高边MOS的成本高于低边MOS,而且傲娇的MPS同学几乎把自己家的BUCK都做成了同步的,所以热心的小编不推荐!


9.bmp

图5:Zeta (兹尔塔)电路的拓扑形式

讲到这里,认真的朋友可能又会抛出库克CUK电路的问题,热心的小编只好说,认真的朋友请别这么认真了好么?这个电路你可能永远也用不上。

11.bmp

接下来才是重点喔!

22.bmp



MPS公司的MPQ3425是一颗输出支持55V耐压的Boost DC/DC,内部集成一颗90mΩ/3.5A的MOS。 



图6是MPQ3425做SEPIC的原理图。图7是MPQ3425输出12V@1A条件时的实测波形(CH1-SW;CH3-IL2;CH4-IL1


具体芯片特性如下所示


33.bmp

图6:MPQ3425做SEPIC的原理图


44.bmp

图7: MPQ3425输出12V@1A条件时的实测波形图(Test Condition: EV3425-L-00A with modified circuit)

在汽车电子应用中,采用MPQ3425做赛皮克升降压的方案适用于ADAS车机侧给远端DMS(驾驶员监控系统)的IR LED供电,适用于ADAS车机侧给远端 AVM环视摄像头供电等多种需要升降压的应用场合。

好了,热心的小编今天的推荐就到这里了,认真的朋友如果感兴趣,可以联系我们哟!


640.gif